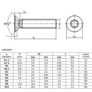
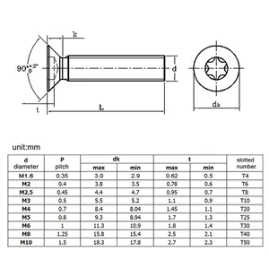
Torx Vida 304 Paslanmaz Çelik Gömme Başlı - M1.6 - M6 * 50 Parça ve Daha Fazlası * İncelemeler ve yorumlar
Aliexpress'te en çok satan 10 torx vida m5 m6
Montaj ve çeşitli projeler için ideal olan en iyi 304 Paslanmaz Çelik gömme başlı Torx vidaları keşfedin. 5, 10, 20 ve 50 parçalık kitler sağlamlık ve dayanıklılık garanti eder.
![]() |
![]() |
![]() |
Vida, Torx Düz Kafa 304 Paslanmaz Çelik, 50 adet. - M3 / M4 / M5 / M6
Bu, düz başlı düz, Torx, altı loblu ayar vidasıdır, kalite ve güç arayanlar için idealdir. 304 kalite paslanmaz çelik A2-70, yüksek dayanıklılığı ile bilinir, hem evsel hem de endüstriyel uygulamalarda çok iyi bir performansa sahip olmanızı sağlar. Bu vidaları monte etmek için kullandım, odamdaki bazı yapılar ve Torx sürücüsü için mükemmel uyum, deneyimin öne çıkan özelliklerinden biriydi. Kit, farklı boyutlarda 50 ünite ile birlikte gelir ve bu da iş için en uygun olanı seçmeyi kolaylaştırır. Buna ek olarak, renk siyah cıvata, şık ve sade bir görünüm getiriyor ve tasarıma iyi uyum sağlayacak parçalar arıyorsanız.
6,59 R$![]() |
![]() |
![]() |
Vida, Torx Düz Kafa 304 Paslanmaz Çelik, 10 Parça-M1.4/M1.6/M2 / M2).5/M3
Bu kit Torx vidalar 304 paslanmaz çelik set, M1.4) ve M1.6 gibi vidalara ihtiyaç duyan ve ince olan herkes için mükemmeldir, en yaygın olanların kitlerinde bulmak zordur. Malzeme A2-70 korozyona karşı direnç sağlar, bu da onları en fazla dayanıklılık ve pürüzsüz bir yüzey gerektiren projeler için ideal kılar. Daha önce küçük aletlerin montajında ve ekipman parçasındaki ayarlarda kullandığım gibi, Torx sürücüsünün doğru oturmasının vidanın zarar görmesini önlemeye ve genel performansın iyileştirilmesine yardımcı olduğunu söyleyebilirim. Bu kit ile 10 parçalı çok yönlüdür ve evinizde veya iş yerinizde ihtiyaçlarınızın çoğunu gidermek için kullanılabilir.
6,99 R$![]() |
![]() |
![]() |
Vida, Torx, Yedek Uçlar, tungsten Karbür, 50 adet. - M2/M2).5 / M3 / M3 / Gün.5/M4.
Bu Torx vidaları, CNC makinelerle çalışmış olanlar veya tornalamada tungsten karbür takım uçlarının yerini alanlar için mükemmeldir. 304 A2-70 paslanmaz çeliğin kalitesi bir gerçektir ve en zorlu koşullarda bile dayanıklılığa sahip olduklarını zaten kanıtlamıştır. Düz kafanın tasarımı, özellikle daha fazla hassasiyet ve doğruluk gerektiren parçalara montajı kolaylaştırır. Bu kit ile, üzerinde çalıştığım bir freze makinesinde yedek parçaların değiştirilmesi için bir proje için mükemmel olan 50 parça. Profesyonel veya alet meraklısıysanız, bu tür vidalara elle sahip olmaya değer.
9,49 R$![]() |
![]() |
![]() |
Vida, Torx, Ultra ince 304 Paslanmaz Çelik, M1.6/M2/M2'nin 20 ila 50 Parçası).5/M3 / M4.
Bu vidalar ince Torx uçları, özellikle elektronik ve / veya küçük parçalar alanlarında, çalışmasında hassas bir dokunuşa ihtiyaç duyan herkes için mükemmeldir. Vida iyi yapılmış ve malzeme 304 A2-70 paslanmaz çeliktir, özellikle korozyona karşı direnç gerektiren ortamlarda tüm farkı yaratır. Bu ürünü küçük bir elektronik bileşen projesinde kullandım ve Torx anahtarının takılması işi gerçekten kolaylaştırıyor. İnce tasarım, başın escareação ile birlikte daha temiz bir yüzey sağlar ve iş için güvenlidir, parçalara zarar vermez.
6,99 R$![]() |
![]() |
![]() |
Torx Vida Sınıfı 304 Paslanmaz Çelik, Ultra ince kafa, Gofret, 50 Adet. - M1. 6 / M2 / M2).5/M3
Bu vidalar gofret, ultra ince bir formatta, kompakt bir şeye ihtiyaç duyanlar için ideal, iyi korozyon direncine sahip. 304 kalite paslanmaz çelik A2-70 mükemmel bir üne sahiptir ve siyah renk, çelik yapılardaki konektörlerin en iyisini karıştırmaya yardımcı olur. Bu ürünü küçük parçaları sabitleme işinde kullandım ve çalışması çok kolaydı. Tek karakteristik gofret kafası, etrafındaki karolara zarar vermeden vidalamanıza izin verir, bu da hassas bileşenlerle uğraşırken harikadır. Buna ek olarak, 50 adetlik set çeşitli projeler için iyi bir anlaşma sunuyor.
6,99 R$![]() |
![]() |
![]() |
Vida, Torx Düz Kafa, Paslanmaz Çelik 304, M2/M2'nin 5-50 Parçası).5/M3 / M4.
Bu bir vida modelidir, Torx, elektronik ve mekanik gerilimli sistemlerin montajı ile ilgili sorularda tercihlerimden biri olmuştur. Düz bir kafa, düzeltmeye ihtiyacı olan, daha kapsamlı ve güvenilir olan herkes için mükemmeldir. Paslanmaz çelik 304 A2-70 gibi paslanmaya karşı dayanıklı, korozyon endişesi duymadan bu ürünü yüksek nemli ortamlarda kullanabilir miyim. Tahta ve metal parçalarını sabitlemek için çok şey yaptım ve hayal kırıklığına uğratmadılar. Kit, projeniz için doğru olanı seçmenize izin vererek yaklaşık 5 ila 50 parça arasında değişen miktarlarda gelir. Dayanıklılık ve güç, bu dönüşü vurgulayan özelliklerdir.
6,99 R$![]() |
![]() |
![]() |
Vida, Torx Uç Karbür, Paslanmaz Çelik 304, 20 Parçalı, M2/M2'nin Yerini Alır).5 / M3 / M3 / Gün.5/M4.
Bu bir vida kitidir, Torx bir CNC üzerindeki aletlerle çalışmak için mükemmeldir. 304 A2-70 kalite paslanmaz çelik malzeme, vidanın makinenin daha güçlü çalışması için gerekli olan yüksek basınca ve yüksek torka dayanabilmesini sağlar. Torna tezgahının parçalarındaki bazı girişleri değiştirmem gerekiyor ve sizi temin ederim ki takılabilir Torx sürücüsü yaralanmayı önledi ve işi kolaylaştırdı. Vidaların sabitlenmesi kolaydır ve ayrıca sürekli kullanımda bile hızlı bir şekilde aşınma ve yıpranmaya maruz kalmazsınız. Bir dükkanınız varsa veya ağır makinelerle çalışıyorsanız, bu harika bir yatırımdır.
6,99 R$![]() |
![]() |
![]() |
Vida, Torx Düz Kafa 304 Paslanmaz Çelik, 50 adet. - M1. 6 / M2 / M2).5/M3
Yüksek kaliteli çok çeşitli kullanımlarda bir dizi cıvata arıyorsanız, bu kit 50 parçadır ve mükemmel bir seçimdir. Paslanmaz çelik sınıfı 304 A2-70 ve korozyona karşı direnç, yüksek dayanıklılık, düz kafanın tasarımı Torx anahtarının takılmasını kolaylaştırırken vida başlarının zarar görmesini önler. Mobilyayı monte etmek ve bir proje üzerinde çalışmak için metal bileşenleri takmak için kiti kullandım ve kaliteden çok memnun kaldım. Çok çeşitli boyutlar bir artıdır, dışarı çıkıp daha fazla satın almaya gerek kalmadan her zaman sağ taraftaki tek vida olmamı sağlar.
8,22 R$![]() |
![]() |
![]() |
Vida, Torx Düz Kafa 304 Paslanmaz Çelik 5 Adet-M2) / M2).5/M3 / M4.
Bu kit, belirli bir projede birkaç ekstra parçaya ihtiyaç duyanlar için ideal olan paslanmaz çelikten 5 Torx vida içindir. Bu ürünü garajımda metal bir çerçeve kurmak için kullandım ve performansın mükemmel olduğunu söyleyebilirim. Malzeme 304 paslanmaz A2 - 70, herhangi bir aşınma ve yıpranma belirtisi olmaksızın zaman içinde dirence sabitlenir. Başın kaçağı, özellikle daha yüksek ayar gerektiren parçalar için daha doğru bir finişe sahip olmaya yardımcı olur. Bu kitte çok fazla parçaya ihtiyacınız yoksa, 5 parça ihtiyaçlarınızı karşılayacak ve verimli bir şekilde karşılayacaktır.
6,99 R$![]() |
![]() |
![]() |
Torx Vida 304 Paslanmaz Çelik, Düz Kafa, 10 Parça-M1.6 a/M2).5/M3 / M4 / M5
Bu kit-of-10 Torx vidalar 304 paslanmaz çelik fikstür ihtiyacı olan herkes için mükemmel bir seçimdir, dayanıklı, ve kullanımı kolay. Paslanmaz çelik A2-70, korozyona dayanıklıdır ve yüksek dayanıklılık sunarken, düz başlı Torx, bileşenlerin kurulumunu ve bakımını kolaylaştırır. Bu şablonu evdeki metal onarımları ve hatta küçük mobilya parçaları gibi bir dizi çalışmada vida için kullandım. Gerçek şu ki, farklı boyutlarda 10 parça buluyorsunuz, çalışma sırasında seçeneklere sahip olmak harika.
5,59 R$Etiketler
torx vida m5 m6, Torx vida, gömme başlı vida, 304 paslanmaz çelik, altı loblu vida, M1.6, M2, M3, M4, M5, M6 vida, ultra ince vida, sabitleme aletleri, CNC vida, endüstriyel vida, GB2673
Benzer incelemeler
Aliexpress'te Fazer 250 için en çok satan 8 triger kayışı kitiAliexpress'te en çok satan 6 zemin prizi
Aliexpress'te en çok satan 7 çilingir zımbası
Aliexpress'te en çok satan 6 vhf adaptörü
Aliexpress'te en çok satan 10 motosiklet hızlı açma kolu
Aliexpress'te en çok satan 10 porselen karo kaplaması






























Yorumlar
Yorum Gönder